Product Introduction:Brushless AC Servo Motor Nema32 use for milling machine

The EC-M series high voltage brushless AC servo motors provide applications with high torque density to attain high acceleration capability and faster positioning. They are available in metric frame sizes from 60 mm to 180 mm(the servo motor power range is 100W—5.5KW) . Standard modes have standard cabling options for direct connection to the ECON drive
Model | EC- 80M040D | EC- 80M075D | EC- 80M073C | EC- 80M100D | EC- 80M100CC | EC- 80M120D | ||||||||||||||||||
Rated Power(W) | 0.4 | 0.75 | 0.73 | 1.0 | 1.0 | 1.2 | ||||||||||||||||||
Rated Voltage(V) | 220 | 220 | 220 | 220 | 220 | 220 | ||||||||||||||||||
Rated Current(A) | 2 | 3.0 | 3.0 | 3.0 | 4.4 | 5.2 | ||||||||||||||||||
Rated Speed(RPM) | 3000 | 3000 | 2000 | 3000 | 2500 | 3000 | ||||||||||||||||||
Holding Torque(Nm) | 1.27 | 2.39 | 3.5 | 3.5 | 4.0 | 4.0 | ||||||||||||||||||
Peak Torque(Nm) | 3.8 | 7.1 | 10.5 | 10.5 | 12 | 12 | ||||||||||||||||||
Voltage Constant(V/1000*RPM) | 6 | 9.0 | 9.0 | 13.5 | 13.2 | 46 | ||||||||||||||||||
Torque Coefficient(N.m/A) | 40 | 48 | 71 | 46 | 56 | 0.77 | ||||||||||||||||||
Rotor inertia(kg.㎡) | 0.64 | 0.8 | 1.17 | 0.78 | 0.9 | 2.97×10-4 | ||||||||||||||||||
Line-Line Resistance(Q) | 1.05×10-4 | 1.82×10-4 | 2.63×10-4 | 2.63×10-4 | 2.97×10-4 | 1.33 | ||||||||||||||||||
Line-Line Inductance(mH) | 4.44 | 2.88 | 3.65 | 1.56 | 1.83 | 3.27 | ||||||||||||||||||
Electric time-constant(Ms) | 7.93 | 6.4 | 8.8 | 3.76 | 4.72 | 2.46 | ||||||||||||||||||
Weight(kg) | 1.66 | 2.22 | 2.4 | 2.4 | 2.58 | 3.8 | ||||||||||||||||||
Encoder line number(PPR) | 2500 | |||||||||||||||||||||||
Isolation class | Class B | |||||||||||||||||||||||
Safety Class | IP65 | |||||||||||||||||||||||
Using Environment | Temperature:-20℃~ +40℃,Humidity Below 90%RH No dewing | |||||||||||||||||||||||
Motor Power Plug | Wire Lead | U | V | W | PE | |||||||||||||||||||
Pin NO. | 1 | 2 | 3 | 4 | ||||||||||||||||||||
Encoder Plug | Wire Lead | 5V | 0V | B+ | Z- | U+ | Z+ | U- | A+ | V+ | W+ | V- | A- | B- | W- | PE | ||||||||
Pin NO. | 2 | 3 | 4 | 5 | 6 | 7 | 8 | 9 | 10 | 11 | 12 | 13 | 14 | 15 | 1 | |||||||||
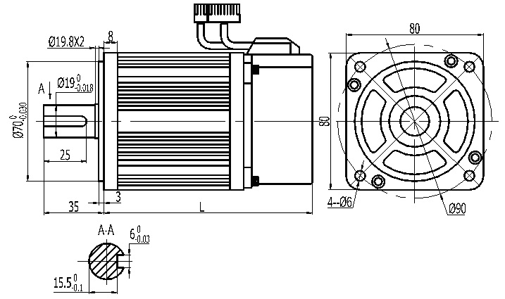
Product Dimension:
Model | EC- 80M040D | EC- 80M075D | EC- 80M073C | EC- 80M100D | EC- 80M100CC | EC- 80M120D |
L (without brake) | 124 | 151 | 179 | 178 | 190 | 202 |
L (with brake) | 164 | 191 | 219 | 218 | 230 | 242 |
Matched Driver | ECN-GA3207B | ECN-GA3210B | ECN-GA3210B | ECN-GA3210B | ECN-GA3210B | ECN-GA3210B |
Cable for option | (Pulse cable)Controller to driver | 3-10M for option | ||||
(Encoder cable)Encoder to driver | ||||||
(Power cable)Motor to driver | ||||||
Product Installation
1:Installation/ disassemble components coupled to the motor shaft end, do not hit shaft hard to prevent the other side of motor shaft encoder was knocked out bad.
2:Striving to make the best of its shaft to prevent vibration and bearing damage.

Product Service:
ECON provide technical service from start to end,and will offer one year warranty. Any problem,can send e-mail to our technical engineer and sales,or directly chat on our website.
Payment and Delivery:
ECON supports T/T,Paypal,Western Union to make payment. We can arrange express,air and sea shipment,we have professional team to deal with logistic.
Recommendations:
General AC Servo drive can be used with AC servo motor range from 100W~3.8KW
G2 AC Servo Drive Supports Canopen That Makes Fun With Servo System
Hot Tags: Brushless AC Servo Motor Nema32 use for milling machine, manufacturer, supplier, factory














